★ 您好!欢迎您访问无锡恒泰液压气动成套厂的企业网站!
☎ 全国销售服务热线: 13961818625 0510-85595577 
收藏本站企业邮局

产品展示

您的位置:> 首页 > 产品展示 > 液压缸系列

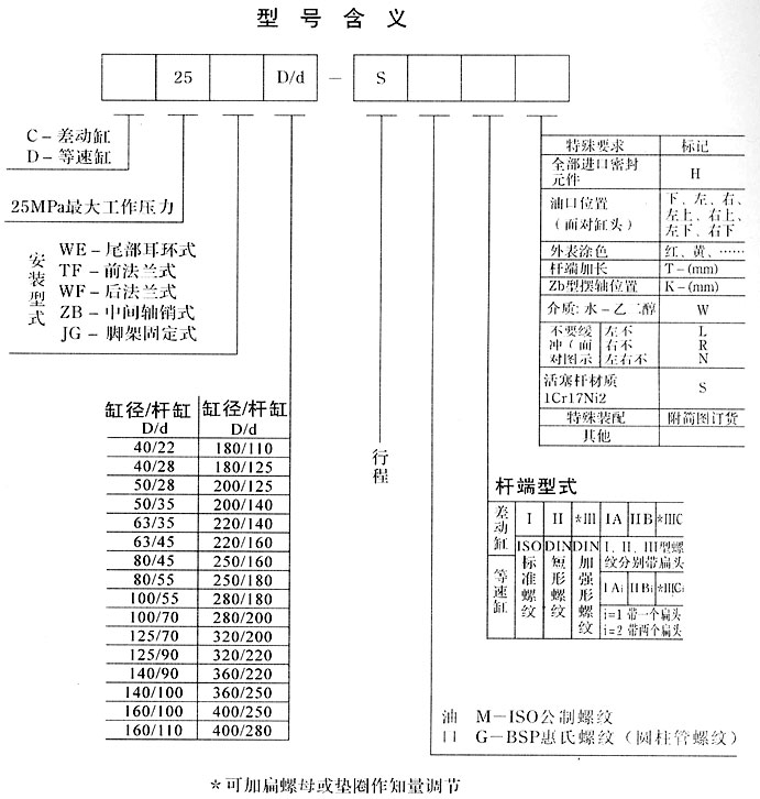
C25、D25系列高压重型液压缸





«1 2 3 4 »

您可以通过以下方式与我们取得联系, 我们感谢您对我们的关注,并期待您的咨询:
地址:无锡市胡埭镇西溪中心路60号 电话:0510-85595577 联系人:朱经理 13961818625 网址:www.wxhengtai.com