★ 您好!欢迎您访问无锡恒泰液压气动成套厂的企业网站!
☎ 全国销售服务热线:
13961818625 0510-85595577
收藏本站
丨
企业邮局
切换导航
首页
公司简介
新闻中心
产品展示
液压缸系列
气缸系列
液压系统
活塞杆系列
气动元件
滑动水口油缸
齿轮齿条摆动缸
定尺机锁紧油缸
生产实力
企业资质
联系我们
产品展示
您的位置:>
首页
>
产品展示
> 气缸系列
液压缸系列
气缸系列
液压系统
活塞杆系列
气动元件
滑动水口油缸
齿轮齿条摆动缸
定尺机锁紧油缸
QGS系列标准气缸
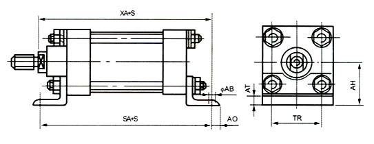
▲MS1-轴向底座安装型
▲轴向底座型、耳环型外形安装尺寸表
缸径
AB
TR
AH
AO
AT
CB
EW
CD
FL
L
MR
SA
UB
XA
XD
32
7
32
11
3
26
10
20
14
10
140
45
144
142
40
9
35
11
3
28
12
25
16
11
159
52
161
158
50
9
45
15
3
32
12
25
16
12
166
60
171
166
63
9
50
15
3
40
16
32
22
15
185
70
190
192
80
12
63
20
6
50
16
36
24
16
210
90
215
210
100
14
75
20
6
60
20
41
26
20
220
110
230
230
125
16
90
22
7
70
25
50
32
25
250
130
268
275
160
18
115
22
9
90
30
55
35
28
300
170
320
313
200
22
135
25
9
90
30
55
35
28
320
170
345
335
250
26
165
25
9
110
40
70
48
39
350
200
380
375
320
33
200
40
10
120
45
80
50
45
390
220
425
420
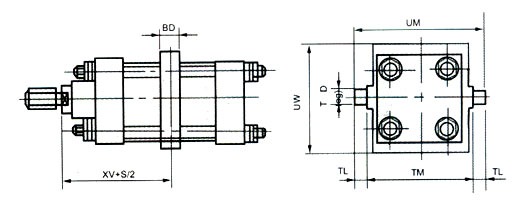
▲MT4-中间轴销安装型
▲方法兰型、中间轴销型外形安装尺寸表
缸径
BO
FB
MF
R
TD
TF
TL
TM
UF
UM
UW
W
XV
ZJ
32
25
7
8
32
12
64
12
50
80
74
53
18
74
122
40
30
9
10
36
16
72
16
63
88
95
58
20
81.5
133
50
30
9
10
45
16
90
16
75
110
107
70
25
88
141
63
35
9
12
50
20
100
20
90
120
130
85
23
97.5
160
80
35
12
16
63
20
126
20
110
150
150
105
30
110
174
100
45
14
16
75
25
150
25
132
184
182
126
35
120
189
125
45
16
18
90
25
180
25
160
210
210
155
43
143
225
160
60
18
20
115
32
230
32
200
268
264
195
62
170
258
200
60
22
20
135
32
270
32
250
320
314
240
70
185
280
250
70
26
25
166
40
330
40
320
394
400
300
80
205
305
320
80
33
30
200
50
400
50
400
475
500
380
90
230
340
«
‹
1
2
3
4
›
»
上一篇:
JB冶金设备用气缸系列
下一篇:
YZG系列木业压机柱塞油缸
首页
公司简介
新闻中心
产品展示
生产实力
企业资质
联系我们
在线留言
恒泰液压主要产品:
液压缸系列
气缸系列
液压系统
活塞杆系列
气动元件
苏公网安备 32021102000544号
您可以通过以下方式与我们取得联系, 我们感谢您对我们的关注,并期待您的咨询:
地址:无锡市胡埭镇西溪中心路60号
电话:0510-85595577
联系人:朱经理 13961818625
网址:www.wxhengtai.com
E-mail:sales@wxhengtai.com
产品及新闻搜索
搜索
《中华人民共和国电信与信息服务业务经营许可证》编号
苏ICP备11051972号-1
Copyright © 无锡恒泰液压气动成套厂 All rights Reserved 版权所有 未经许可不得使用、转载、摘编。
∧