★ 您好!欢迎您访问无锡恒泰液压气动成套厂的企业网站!
☎ 全国销售服务热线:
13961818625 0510-85595577
收藏本站
丨
企业邮局
切换导航
首页
公司简介
新闻中心
产品展示
液压缸系列
气缸系列
液压系统
活塞杆系列
气动元件
滑动水口油缸
齿轮齿条摆动缸
定尺机锁紧油缸
生产实力
企业资质
联系我们
产品展示
您的位置:>
首页
>
产品展示
> 气缸系列
液压缸系列
气缸系列
液压系统
活塞杆系列
气动元件
滑动水口油缸
齿轮齿条摆动缸
定尺机锁紧油缸
QGS系列标准气缸
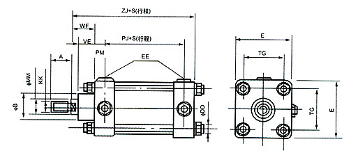
▲国际标准QGS系列气缸基本型
▲外形尺寸表
型号规格
A
B
DD
E
EE
KK
MM
PJ
PM
TG
VE
WF
ZJ
缓冲行程
QGS32
22
28
M6
50
M10*1G
1/8"
M10*1.25
12
74
11
35
18
26
122
15
QGS40
24
32
M6
55
M14*1.5G
1/4"
M12*1.25
16
78
12.5
40
23
30
133
15
QGS50
32
36
M6
62
M14*1.5G
1/4"
M16*1.5
20
81
12.5
47
25
35
141
15
QGS63
32
36
M8
78
M18*1.5G
3/8"
M16*1.5
20
95
15
58
25
35
160
20
QGS80
40
45
M10
95
M18*1.5G
3/8"
M20*1.5
25
98
15
72
30
46
174
20
QGS100
40
50
M10
115
M22*1.5G
1/2"
M20*1.5
25
103
17.5
88
35
51
189
20
QGS125
54
60
M12
140
M22*1.5G
1/2"
M27*2
32
122
21
108
44
61
225
20
QGS160
72
70
M16
180
M27*2G
3/4"
M36*2
45
131
22.5
136
52
82
258
20
QGS200
72
70
M16
220
M27*2G
3/4"
M36*2
45
144
23
180
59
90
280
25
QGS250
84
84
M20
272
M33*2G1
"
M42*2
50
152
24
225
63
105
305
25
QGS320
100
100
M24
340
M33*2G1
"
M48*2
63
172
24
280
74
120
340
25
▲活塞杆用连接件(代号:LZ)外形尺寸图
▲活塞杆用连接件(代号:LZ)外形尺寸表
缸径
CE
CK
CL
CM
DA
ER
KK
LE
32
38
10
40
12
+0.3
+0.1
20
20
M10*1.25
15
40
45
12
44
16
+0.3
+0.1
24
24
M12*1.25
20
50、63
54
16
44
16
+0.3
+0.1
28
28
M16*1.5
20
80、100
70
20
66
30
+0.3
+0.1
36
36
M20*1.5
28
125
88
25
71
32
+0.3
+0.1
44
44
M27*2
32
160、200
115
32
80
36
+0.3
+0.1
58
58
M36*2
40
250
130
40
92
42
+0.3
+0.1
64
64
M42*2
50
320
148
50
110
50
+0.3
+0.1
70
70
M48*2
63
«
‹
1
2
3
4
›
»
上一篇:
JB冶金设备用气缸系列
下一篇:
YZG系列木业压机柱塞油缸
首页
公司简介
新闻中心
产品展示
生产实力
企业资质
联系我们
在线留言
恒泰液压主要产品:
液压缸系列
气缸系列
液压系统
活塞杆系列
气动元件
苏公网安备 32021102000544号
您可以通过以下方式与我们取得联系, 我们感谢您对我们的关注,并期待您的咨询:
地址:无锡市胡埭镇西溪中心路60号
电话:0510-85595577
联系人:朱经理 13961818625
网址:www.wxhengtai.com
E-mail:sales@wxhengtai.com
产品及新闻搜索
搜索
《中华人民共和国电信与信息服务业务经营许可证》编号
苏ICP备11051972号-1
Copyright © 无锡恒泰液压气动成套厂 All rights Reserved 版权所有 未经许可不得使用、转载、摘编。
∧